Vibrofix

Звукоизоляция деревянного перекрытия по металлическим трубам

Обговорення проблем захисту від шуму, звукоізоляції приміщень, віброізоляції обладнання.
Проєктування, матеріали, вимірювання

Звукоизоляция деревянного перекрытия по металлическим трубам

Postby ASSIS » 06 Jun 2012, 11:21

Доброе время суток!!!
Прошу помощи опытных специалистов. Необходимо запроектировать грамотно звуко- тепло- пароизоляцию в деревянном перекрытии по металлическим прямоугольным трубам.
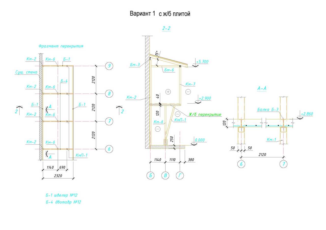
Первый вариант перекрытия был запроектирован из жб плиты толщиной 120мм в теле мет балок (швеллер №12 и двутавр №12). Но, спустя некоторое время Заказчик решил рассмотреть вариант более дешевого перекрытия.
Был предложен вариант 2 (см. вложени). По раскрою стандартной ОСБ плиты был подобран шаг пр.труб и на определенную нагрузку - сечение. Особенностью этого перекрытия является то, что под ним нет сущ. помещения, а есть улица (по аналогии с балконом). Перекрытие планируется использовать как кафе. Во вложении представлен фрагмент перекрытия.
Заранее спасибо за внимание.
ASSIS
 
Posts: 3
Joined: 05 Jun 2012, 22:46

Re: Звукоизоляция деревянного перекрытия по металлическим трубам

Postby ASSIS » 06 Jun 2012, 11:25

В догонку вложения с картинками
Attachments
Вариант 2 (деревянное перекрытие по мет балкам).jpg
Вариант 2 (деревянное перекрытие по мет балкам).jpg (44.83 KiB) Viewed 4463 times
Вариант 1 (жб плита).jpg
Вариант 1 (жб плита).jpg (48.71 KiB) Viewed 4463 times
ASSIS
 
Posts: 3
Joined: 05 Jun 2012, 22:46

Re: Звукоизоляция деревянного перекрытия по металлическим трубам

Postby Андрей Смирнов » 06 Jun 2012, 11:59

Вопросы очень серьезные и выходящие за рамки форума.
Во-первых, необходимо решить проблему теплоизоляции и исключения влияния мостиков холода.
Затем, исходя из формата заведения и назначения прилегающих эксплуатируемых помещений необходимо определить значения требуемой звукоизоляции.
На основании этого разрабатывается состав ограждений, удовлетворяющий нормам по защите от шума.
Подобные вопросы не рекомендуется решать на форумах.
...ничто не слишком...(с) Кармадон, "Альтист Данилов"
http://www.akustik.ua - акустическое проектное бюро
http://www.acoustic.ua - звукоизоляционные материалы
............................................
User avatar
Андрей Смирнов
Soundmoderator
 
Posts: 8791
Joined: 29 Aug 2006, 12:24
Location: Украина, Киев



Return to Звукоізоляція

Who is online

Users browsing this forum: No registered users and 6 guests

cron